太阳集团官网有限公司
首页
公司概况
公司简介
组织架构
大事记
荣誉与资质
企业文化
企业理念
合规建设
员工风采
主营业务
绿色能源
双碳治理
生态治理
资源循环
科研平台
党群工作
新闻中心
公司新闻
行业动态
重大信息公开
招贤纳士
联系我们
|
咨询公司
公司介绍
主营业务
信息公开
首页
公司概况
公司简介
组织架构
大事记
荣誉与资质
企业文化
企业理念
合规建设
员工风采
主营业务
绿色能源
双碳治理
生态治理
资源循环
科研平台
党群工作
新闻中心
公司新闻
行业动态
重大信息公开
招贤纳士
联系我们
咨询公司
公司介绍
主营业务
信息公开
重大信息公开
首页
|
重大信息公开
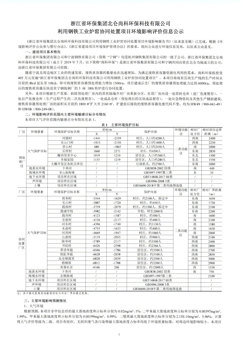
浙江省环保集团北仑尚科环保科技有限公司利用钢铁工业炉窑协同处置项目环境影响评价信息公示
发布日期:2024-10-17 浏览数:217
上一篇:
浙江春晖固废处理有限公司危险废物转窑焚烧处理规模3万吨/年技改项目环评信息公示
下一篇:
无偿划转!省环保集团新增控股公司——菲达环保